
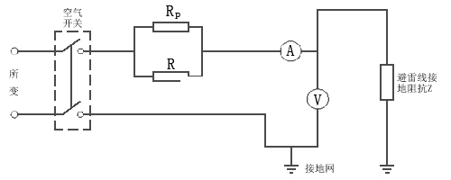
現場測試接線原理圖如圖1-1所示。
圖1-1 避雷線分流接地阻抗現場測試原理圖
圖中,Z為避雷線的分流接地阻抗;Rp為滑動變阻器,額定電阻300Ω,額定電流1A,測量時取額定電阻;R為定值電阻,額定電阻80Ω,額定功率2kW;A為電流表,測量在避雷線分流阻抗上施加的試驗電流值,測量時,圖1-1中A量程選用10A檔,V為數字萬用表,測量在試驗電流下避雷線接地阻抗上的壓降,V。試驗電源采用退出一臺所變為試驗專用,甩開二次側其他負荷及中性點接地,試驗用380V線電壓。在試驗中,避雷線的引下線一定要綁定好,防止被風吹甩向導線,引起短路事故。為了克服地網雜散電流的影響,提高試驗的信噪比,應盡量將試驗電流升到較大值;同時,為了減小試驗誤差,需先測試出避雷線的干擾電壓,還需采用換相重復試驗。
由圖1-1所示的避雷線分流接地阻抗測試原理圖,可測試出避雷線分流接地阻抗Z上的壓降U和避雷線分流接地阻抗Z上流過的試驗電流I,并考慮到避雷線干擾電壓的影響,將試驗換相重復試驗后,即可得出避雷線分流接地阻抗Z為:
Z正=(U-U干擾)/I
Z反=(U-U干擾)/I
Z=(U正+U反)/2
式中 U——避雷線分流接地阻抗Z上的壓降,表V的讀數,V;
I——避雷線分流接地阻抗Z上通過的試驗電流,表A的讀數,A;
U干擾——避雷線的干擾電壓,V;
Z正——正相測試時,避雷線的分流接地阻抗,Ω;
Z反——反相測試時,避雷線的分流接地阻抗,Ω;
Z——考慮到測試誤差,避雷線的平均分流接地阻抗,Ω。