
一、測量接地電阻的基本原理
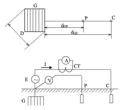
根據接地電阻的意義,接地電阻是電流I經接地體流入大地時接地電位U和I的比值。因此,為了測量接地電阻,首先在接地體上注入一定的電流。如圖1-1所示。
為簡化計算,設接地體為半球形,在距球心X處的球面上的電流密度為
J=1/2πX2
式中 J——距球心為X處的球面上電流密度,A/m2;
I——接地體入地的電流;
X——距球心的距離。

我們知道,電場強度E=Jρ,ρ為土壤電阻率而電場中任意兩點間的電位差,等于電場強度在兩點之間的線積分。設無窮無遠處的電位為零,所以距離接地體球心x(x,rg)處所具有的電壓為
U=∫∞x-Edx=∫∞x(-ρ/2πx2)dx=(ρι/πx)∞x (15-9)
由式(15-9)可知,電極1、2、之間出現的電位差為
U'=Iρ/2π(1/rg-1/d12) (15-10)
電極3使1、2、之間出現的電位差為
U”=Iρ/2π(1/d23-1/d13) (15-11)
1、2電極之間的總電位等于U'與U”之和,即
U=U'+U”=Iρ/2π(1/rg-1/d12+1/d23-1/d13)
即因此1、2極之間呈現的電阻Rg為
Rg=U/I=ρ/2π(1/rg-1/d12+1/d23-1/d13) (15-13)
接地體1的接地電阻實際值為
R=ρ/2πrg (15-14)
式中 R——接地體的實際電阻;
rg——接地體的半徑;
要使測量的接地電阻Rg,等于接地體的實際接地電阻R,就必須使式(15-13)和式(15-14)兩式相等,即
1/d23-1/d12-1/d13=0
當接地體為半球形,球形中心位已知,土壤的電阻率一致,鏡像的影響忽略不計的情況下,電壓極放在電流與被測接地體兩者之間,距接地體0.618d13處,即可測得接地體的真實接地電阻值,此方法稱為0.618法或補償法。
但實際情況與此有出入,如接地體幾乎沒有半球形,大多數為管狀、帶狀以及由管帶形成的接地網。測量結果的差別程度隨極間距離d13的減小而增大。但不論接地體的形狀如何,其等位面距其中心越遠,其形狀就越接近半球形,并在論證一個電極作用時,忽略了另一個電極的存在,也只在極距d13足夠大的情況下才真實。
實際的地網基本上是網格狀,它介于圓盤和圓環兩者之間,用上述論證方法,可以證明當接地體的圓盤(圓盤半徑為r),電極布置采用補償法時,其測量誤差ξ為
ξ=2r/π[1/d23-1/d13-(1/r)sin-1r/d12)] (15-16)
將不同的d13代入式(15-13)可求得相應的測量誤差,如表1-1所示,表中D為圓盤直徑。
|
電極距離d13
|
5D
|
4D
|
3D
|
2D
|
D
|
|
誤差ξ(%)
|
-0.057
|
-0.089
|
-0.216
|
-0.826
|
-8.2
|
由表1-1看出,用2D補償法測量圓盤接地體的接地電阻時,其誤差比較小(小于1%)。
如果地網是環形接地體,同理可證明,若采用補償法,當接地導體的直徑d=8mm,地網半徑r=40m時,取不同的d13值,其相應的測量誤差ξ,按式15-16計算的結果如表1-2所示。
|
D13
|
5D
|
4D
|
3D
|
2D
|
|
ξ(%)
|
-0.0322
|
-0.0595
|
-0.138
|
-0.498
|
由表1-2看出,用2D(為圓環直徑)補償法測量圓環接地體的接地電阻時,其誤差亦小于1%。所以對于實際的接地網,用2D補償法測量接地電阻的誤差均在1%以下。此時測量電極的布置是電流極距離地網中心d13=2D,電壓極距地網中心是d12=0.618d13=1.235D。DL475—92《接地裝置工頻特性參數的測量導則》規定:當被測接地裝置的面積較大而土壤電阻率不均勻時,為了得到較為可信的測試結果,建議把電流極離被測接地裝置的距離增大,例如增大到10km,同時,電壓極離被測接地裝置的距離也相應增大。
如果在測量工頻接地電阻時,d13取(4-5)D值有困難,那么當接地裝置周圍的土壤電阻率較均勻時,d13可以取2D值,d12取D值;當接地裝置周圍的土壤電阻不均勻時,d13可以取3D值,d12取1.7D值。
二、測量方法及接線
測量接地電阻的方法最常用的有電壓、電流法,比率計法和電橋法。對大型接地裝置如110kV及以上變電所接地網,或地網對角線D≥60m的地網不能采用比率計法和電橋法,而應采用電壓、電流表法,且施加的電流要達到一定值,測量導則要求不宜小于30A。
(一)電壓、電流法
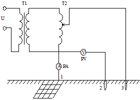
采用電壓、電流法測量接地電阻的試驗接線如圖1-2所示。這是一種常用的方法。施加電源后,同時讀取電流表和電壓表值,并按下式計算接地電阻,即
Rs=U/I (15-17)
式中 Rs——接地電阻,Ω;
U ——實測電壓,V;
I ——實測電流,A。

圖1-2中,隔離變壓器T1可使用發電廠或變電所的廠用變或所用變50~200KV,把二次側的中性點和接地解開,專作提供試驗電源用;調壓器T2可使用50~200KVA的移圈式或其它形式的調壓器;電壓表PV要求準確級不低于1.0級,電壓表的輸入阻抗不小于100kΩ,最好用的分辨率不大于1%的數字電壓表(滿量程約為50V);電流表PA準確級不低于1.0級。
1、電極為直線布置
發電廠和變電所接地網接地電阻采用直線布置三極時,其電極布置和電位分布如圖1-3所示,其原理接線如圖1-4所示。

直線三極法是指電流極和電壓極沿直線布置,三極是指被測接地體1、測量用的電壓極2和測量用的電流極3。一般,d13=(4~5)D,d12=(0.5~0.6)d13,D為被測接地裝置最大對角線的長度,點2可以認為是處在實際的零電位區內。
實驗步驟如下:
(1)按圖1-2接好試驗接線,并檢查無誤。
(2)用調壓器升壓,并記錄相對應的電壓和電流值,直之升到預定值,比如60A,并記錄對應的電壓值。
(3)將電壓極2沿接地體和電流極方向前后移動三次,每次移動的距離為d13的5%左右,重復以上試驗;三次測得的接地電阻值的差值小于5%時即可。然后三個數的算術平均值,作為接地體的接地電阻。
如令λ=d12/d13,取λ=0.5時,λ2=0.7時,分別測得接地體的接地電阻為Rg1、Rg2、Rg3,則接地體的接地電阻Rg為
Rg=2.16 Rg1-1.9Rg2+0.73Rg3 (15-18)

如果d13取4-5D有困難時,在土壤電阻率較為均勻的地區可取d13=2D,d12=1.2D;土壤電阻率不均勻的地區可取d13=3D,d12=1.7D。