
消弧線圈裝置一般包括消弧線圈、接地變壓器、控制器三部分。對于消弧線圈、接地變壓器、阻尼變壓器、控制器、消弧線圈裝置的技術參數都有一定的要求。
接地變壓器為三相變壓器,如圖1-1所示,常用來為不接地系統提供一個人工的、可帶負載的中性點,以供連接中性點設備使用。

接地變壓器通常采用Z型接線,與普通變壓器的區別是每相繞組分別繞在兩個磁柱上,這樣連接的好處是零序磁通可沿磁柱流通,所以Z型接地變壓器的零序阻抗很小(10Ω左右/相),而普通變壓器要大得多。因此規程規定,用普通變壓器帶消弧線圈時,其容量不得超過變壓器容量的20%,而Z型變壓器則可帶90%~100%容量的消弧線圈。接地變壓器除可帶消弧線圈外,也可帶二次負載,替代站用變壓器,這樣,可使接地變壓器與站用變壓器合二為一,既減少了損耗和建筑物面積,又節省了投資。
由于三個同芯繞組構成的安匝相反的三個系統,且A、B、C三相提供的零序電流同向,故每相的零序磁勢近乎為零(由于每柱兩繞組間有漏磁通道,零序阻抗不可能為零),相對于變壓器的短路阻抗來講零序阻抗要小得多。
對于ZN型接地變壓器,通常可帶一個二次繞組,組成ZNyn11或ZNyn1連接組別,供變電站站用電,起到了一臺變壓器兩種功用的效果。
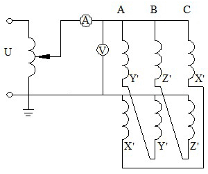
接地變壓器零序阻抗是接地變壓器的一個重要的參數,要求每相不大于9Ω,否則,接地變壓器的零序阻抗太大會造成單相接地故障時,零序阻抗上分壓過大,施加在消弧線圈上的電壓過低,消弧線圈達不到額定出力。因此消弧線圈投運前要先測接地變壓器零序阻抗。測量接線圖如圖1-2所示。

測量時,按圖接線,然后讀取電壓表和電流表的讀數,則接地變壓器的零序阻抗值為:
Z=U/I
將測量結果和接地變壓器的銘牌參數相比,看接地變壓器的零序阻抗達到出廠要求沒有或接地變壓器的零序阻抗符不符合現場試驗要求。