
高壓開關的分、合閘速度,分、合閘時間,分、合閘不同期程度,以及分合閘線圈的動作電壓,直接影響高壓開關的關合和開斷性能。高壓開關只有保證適當的分、合閘速度,才能充分發揮其開斷電流的能力,以及減小合閘過程中預擊穿造成的觸頭電磨損及避免發生觸頭燒損、噴油,甚至發生爆炸。而剛合速度的降低,若合閘于短路故障時,由于阻礙觸頭關合電動力的作用,將引起觸頭振動或使其處于停滯狀態,同樣容易引起爆炸,特別是在自動重合閘不成功情況下更是如此。反之,速度過高,將使運動機構受到過度的機械應力,造成個別部件損壞或使用壽命縮短。同時,由于強烈的機械沖擊和振動,還將使觸頭彈跳時間加長。真空和SF6高壓開關的情況相似。
高壓開關分、合閘嚴重不同期,將造成線路或變壓器的非全相接入或切斷,從而可能出現危害絕緣的過電壓。
高壓開關機械特性的某些方面是用觸頭動作時間和運動速度作為特征參數來表示的,在機械特性試驗中一般最主要的是剛分速度、剛合速度、最大分閘速度、分閘時間、合閘時間、合-分時間、分-合時間以及分、合閘同期性等。
一、部分時間參量的定義
1.分閘時間
是指從高壓開關分閘操作起始瞬間(接到分閘指令瞬間)起到所有極的觸頭分離瞬間為止的時間間隔。應具有很短的分閘時間,減少分閘時電弧的能量,防止電弧使觸頭熔焊。
2.合閘時間
是指處于分位置的高壓開關,從合閘回路通電起到所有極觸頭都接觸瞬間為止的時間間隔。合閘時間必須在規定的時間范圍內。合閘時間太短,則系統短路時直流分量過大,可能會引起合閘困難;合閘時間太長,則影響系統的穩定性。
3.分-合時間
是高壓開關在自動重合閘時,從所有極觸頭分離瞬間起至首先接觸極接觸瞬間為止的時間間隔。
4.合-分時間
是高壓開關在不成功重合閘的合分過程中或單獨合分操作時,從首先接觸極的觸頭接觸瞬間起到隨后的分操作時所有極觸頭均分離瞬間為止的時間間隔。
5.分閘與合閘操作同期性
是指高壓開關在分閘和合閘操作時,三相分斷和接觸瞬間的時間差,以及同相各滅弧單元觸頭分斷和接觸瞬間的時間差,前者稱為相間同期性,后者稱為同相各斷口間同期性。
二、測量高壓開關時間參量的方法
在高壓開關的現場試驗中,一般應進行分閘時間、合閘時間、分合閘同期性的測量,對于具有重合閘操作的高壓開關,還需測量分-合時間和合-分時間。
1.用電秒表測量時間
電秒表具有測量簡單、使用方便等優點。但是,電秒表難以準確測量相間或斷口間不同期性,所以已逐漸被取代。
2.光線示波器測量時間
使用光線示波器可以測量高壓開關分、合閘時間,同期差及分、合閘電磁鐵的動作情況。這種方法具有測量準確、直觀,且能同時測量多個時間參量等優點。
(1)測量基本原理。接線原理如圖1-1所示,光線示波器的測試回路由電源E、開關S、可調電阻R、光線示波器振子g回路串聯組成。
(2)單相單斷口高壓開關的時間測量,其測量接線如圖1-2所示。


測量前,事先將電阻箱中的電阻r1、r2調節到適當值,當電路接通時,電路中的電流值應在示波器振子允許的范圍之內。
(3)電流信號。在高壓開關的機械試驗中,通常將分閘和合閘電磁鐵在操作高壓開關分、合閘時的電流波形,稱為電流信號。它是高壓開關接受分閘和合閘操作指令的標志,這個標志是高壓開關時間測量中不可缺少的信號,其測量原理接線如圖1-3所示。
(4)高壓開關的三相時間測量。一臺高壓開關一般由三相組成,所以在機械試驗中必須測量三相的時間參數。圖1-4示出了用光線示波器進行三相時間測量的接線圖。


由于光線示波器時標范圍寬、精度高,且能直觀反映出高壓開關在動作過程中有關參量的變化情況,因此,過去一直是測量高壓開關機械特性的主要方法。隨著電子技術的發展,出現了應用計算機技術測量高壓開關機械動作各參數的儀器,已逐步取代了光線示波器的使用。
三、速度參量的定義
1.觸頭剛分速度
指開關分閘過程中,動觸頭與靜觸頭分離瞬間的運動速度。技術條件無規定時,國家標準推薦取剛分后0.01s內平均速度作為剛分點的瞬時速度,并以名義超程的計算點作為剛分計算點。
2.觸頭剛合速度
指開關在合閘過程中,動觸頭與靜觸頭接觸瞬間的運動速度。技術條件無規定時,國家標準一般推薦取剛合前0.01s內平均速度作為剛合點的瞬時速度,并以名義超程的計算點作為剛合計算點。
3.最大分閘速度
指開關分閘過程中區段平均速度的最大值,但區段長短應按技術條件規定,如無規定,按0.01s計算。
四、測量高壓開關速度參量的方法
高壓開關的速度參量以其分、合閘速度來表示。由于高壓開關在運動過程中每一時刻的速度是不同的,一般所關心的是剛分、剛合速度和最大速度。根據以上定義要求,下面介紹幾種測量高壓開關運動特性的方法。
1.電磁振蕩器測速法
電磁振蕩器測速原理如圖1-5所示。

運動紙板通過測速桿與動觸頭連接。當振蕩電磁鐵線圈中通入50Hz交流電時,振動筆以100次/s的頻率振動,在運動的紙板上繪出周期為0.01s的振蕩波形。紙板上波形長度就是觸頭總行程,行程間對應的周波數,就是觸頭總運動時間。在觸頭運動過程中,由于每相鄰波峰間時間間隔為0.01s,振動曲線最大波峰間的厘米數就是觸頭的最大速度值vmax。剛分(合)點位置的確定如圖6-8所示。

在振蕩波形圖上,首先要分清楚分(合)閘曲線的兩個端頭中哪一端是分閘位置S1,哪一端是合閘位置S2,然后以合閘位置S2為起始點,向分閘方向量取一段等于高壓開關超行程值的長度S0,以這一線段終點位置為動靜觸頭剛分(合)時刻。按國家標準規定,取觸頭分離后(接觸前)10ms內的速度為剛分(合)速度,所以視超行程終點落在曲線的什么相位,再取同相位的一個波長,即為所求剛分速度vF或剛合速度vH。
2.轉鼓式、電位器式測速儀
轉鼓式測速儀是以連接在動觸頭系統上的記錄筆,沿以恒定角速度轉動的轉筒上所畫的曲線來反映其運動情況的。而電位器式測速儀則是以其滑動觸點在電阻桿上的不同位置所反映的電壓值來測量高壓開關的動作狀況。這兩種測量方法能直觀判斷高壓開關觸頭在整個運動過程中有無卡澀和緩沖不良等異常現象,能夠粗略測出高壓開關的固有分、合閘時間,速度測量精度較高。這兩種方法較為簡單,缺點是較為笨重,功能單一,已很少使用。
五、高壓開關特性測試儀
隨著計算機技術的廣泛應用,出現了高壓開關特性測試儀。它能夠在測試過程中,將開關的時間、速度等多項特性參數同時進行測量,提高了工作效率,這是開關測試的方向。
1.光電測速原理
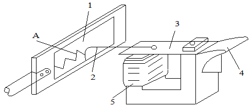
由于光電測速方式結構簡單、可靠,大多數開關特性測試儀都采用光電傳感器進行開關的測速。光電測試是利用對檢測到的光信號進行計數(或計時)來實現對觸頭行程和速度的測量的。圖1-7中示出了光電測速結構示意圖。

圖1-7中,開有光孔的光柵尺通過測速桿與開關動觸頭連接。動觸頭運動時,帶動光柵尺上下運動。發光管5發出的光線可通過光柵尺上的光孔照射到光敏接收管6上,或被光柵尺不透光部分遮擋。被檢測到的光信號,經整形電路7轉換成相應的方波信號,送入到高壓開關測試儀進行計算處理。
下面,以武漢華電高科生產的GKC-H高壓開關動特性測試儀為例,來說明這類儀器的使用。該儀器除能給出測試數據外,還能給出詳細的波形圖,并將開關行程曲線和斷口波形繪制在同一張圖上,從而可較直觀地了解各量的情況和彼此間的相互關系,幫助分析開關的狀態和工作情況,及時發現可能存在的某些缺陷和隱患。
2.連接和接線
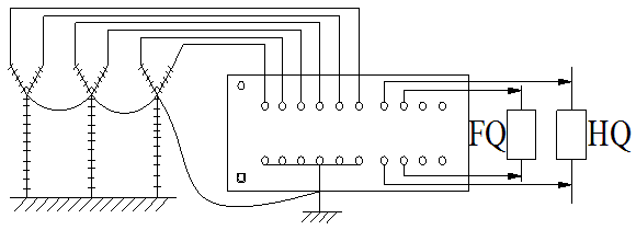
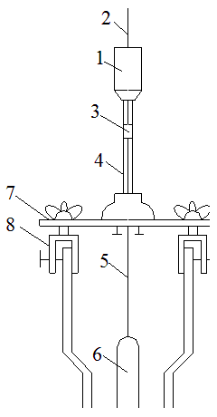
圖1-8示出了利用該類儀器對少油高壓開關進行測試的接線圖。圖1-9示出了油高壓開關測速傳感器的安裝示意圖,其測速傳感器通過管狀支架固定在開關的上部。光柵尺穿過傳感器,井通過測速桿與開關的動觸頭連接。測速信號電纜通過插頭接于儀器背面的插孔中。


接線完成后,儀器即進入準備狀態,高壓開關一旦操作,儀器自動判斷該次操作是分、合、合分或分合操作,并對有關參數進行測試。技顯示或打印按鈕,即可進行數據顯示或打印輸出。
3.真空高壓開關的測試
真空高壓開關的時間特性的測試方法與其他高壓開關相同。對于真空高壓開關,應注意其合閘彈跳時間不大于2ms。合閘彈跳時間過長,將加劇觸頭的燒損,甚至導致動靜觸頭間的熔焊。真空高壓開關的速度是按一定行程的平均值進行測試,通常采用一特制的輔助觸點安裝在真空高壓開關的動觸頭端,利用其與真空高壓開關的動觸頭的接觸或分離來作為計時的起點或終點。
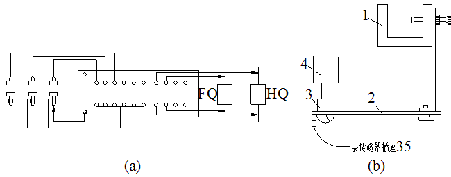
圖1-10(a)示出了用該類高壓開關測試儀對真空高壓開關機械特性進行測試的原理接線圖。圖中的箭頭表示測速的輔助觸點。
圖1-10(b)則為用于安裝輔助觸點的夾具的結構示意圖。夾具1用于將其固定在高壓開關動觸頭端附近合適的位置,當需要測合閘特性的時候,應讓輔助觸點剛好與高壓開關動觸頭側的動觸頭接觸。這樣測得的合閘平均速度即為該高壓開關全部合閘行程的平均速度。當需要測分閘特性的時候,高壓開關處于合閘位置則應使輔助觸點放在離動觸頭運動方向上6mm處。這樣測得的分閘平均速度,即為剛分6mm內的平均速度。

4.SF6高壓開關的測試
由于SF6高壓開關滅弧室不能打開,不能直接對動觸頭進行測試,通常是對SF6高壓開關機構的可動部分進行測速。當對SF6高壓開關測速時,可根據高壓開關的具體結構,將傳感頭固定在適當位置,并將光柵尺通過某種方式與高壓開關的運動部分連接,即可實現測速,其測速結果應滿足該高壓開關的技術條件的要求。