
電工規程進行接地電阻測試以及測量低電阻的導體電阻值使用接地電阻測試儀是必須的工具,那么如何使用接地電阻測試儀呢?武漢華電高科技術專家為你解答。
1 電池的檢查及更換
儀表在接通電源工作時,若顯示屏顯示“
”欠壓符號,表示電池電量不足,應立即更換新電池,否則儀表無法正常工作。
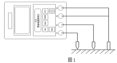
2 接地電阻的測量(見圖1)
● 以被測接地極為起點,使電位探針和電流探針三者在一直線上,間距為20米。
● 用測試線將被測接地極連到儀表的C2、P2測試孔(三極法測量將C2、P2短接即可),電壓探針連到測試孔P1,電流探針連到儀表C1測試孔。
● 經儀表檔位選擇開關選定所需的測試量程。
●按一下測試開關TEST,電流指示燈綠色變為紅色,顯示屏顯示接地電阻值。
3 地電壓測量(見圖2)
測試時僅將兩探針用測試線接至儀表C2、P2兩測試孔,打開電源開關,檔位選擇開關置AC.V位,按一下測試開關TEST,顯示屏即顯示地電壓值。測試完畢,關閉電源。
(注意:本檔位最大測試電壓為 AC 20V)
4 土壤電阻率的測量(見圖3
)
在被測區沿直線插入地下4根金屬棒,彼此相距為“a”厘米,棒的埋入深度不宜超過距離“a”的1/20,按圖3所示連接方式用4根測試線將4根探棒與C1、P1、P2、C2四個測試孔相連,選擇適當量程,按一下測試按鈕TEST,電流指示燈綠色變為紅色,顯示屏上顯示電阻歐姆值,被測區的土壤電阻率用下式計算:
ρ=2πaR
式中 R:測得的電阻數值 (Ω)
a: 棒與棒間的距離 (cm)
ρ:被測區的土壤電阻率 (Ω·cm)
5 導體電阻的測量(見圖4)
將 C1、P1和C2、P2分別短接,然后將被測導體接在C1、P1和C2、P2之間,選擇適當量程,按一下測試按鈕,顯示屏即顯示被測導體的電阻值。